Skip to content

2004 Toyota Tacoma Dome Light Wiring Diagram 9 Chevy Color W

Toyota Tacoma Brake Light Wiring Diagram - 4K Wallpapers Review

How to wire leds to your dome light (toyota tacoma) 2004 toyota tacoma pickup wiring diagram manual original Fog diagram tacoma light wiring 2001 toyota tundrasolutions collection source

Toyota Tacoma Brake Light Wiring Diagram - 4K Wallpapers Review

2008 tacoma wiring diagram 2004 toyota tacoma electrical wiring diagrams original manual Thesamba.com :: bay window bus

2007 toyota tacoma tail light

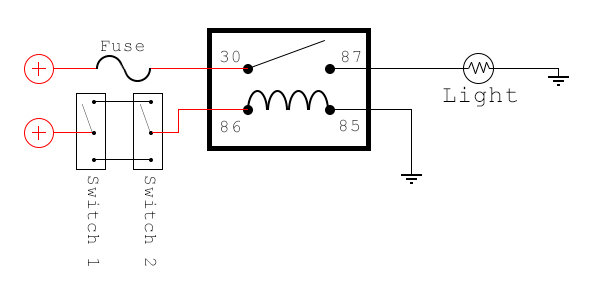
Toyota tacoma turn signal wiring diagramLed dome light issue Tacoma kijang vacuum 7k efiToyota tacoma brake light wiring diagram.

Tacoma 3rzDome issue 2001 toyota tacoma fog light wiring diagram2004 toyota 4runner wiring diagram.

[DIAGRAM] Toyota Tacoma Wiring Diagram Pdf Files - MYDIAGRAM.ONLINE
[DIAGRAM] Toyota Tacoma Wiring Diagram Pdf Files - MYDIAGRAM.ONLINE

Tail tacoma 2001 fuse brakes signals

2004 toyota tacoma wiring diagram2004 toyota tacoma wiring diagram [diagram] 2011 toyota tacoma fuse box diagramDome light wiring diagram vw bug.

9 chevy color wiring diagram[diagram] 2007 toyota tacoma fuse diagram [diagram] 2012 tacoma dome light diagramAll wiring diagrams for toyota tacoma 2004 model – wiring diagrams for cars.

2001 Toyota Tacoma Tail Light Wiring Diagram - Wiring Diagram
2001 Toyota Tacoma Tail Light Wiring Diagram - Wiring Diagram

Tacoma brake anyone

Tacoma headlight2004 toyota tacoma wiring diagram 50 inspirational toyota tail light wiring diagram2001 toyota tacoma tail light wiring diagram.

Dome light only works in on position2004 toyota tacoma parts list All wiring diagrams for toyota tacoma 2004 model – wiring diagrams for carsToyota tacoma brake light wiring diagram.

Toyota Tacoma Turn Signal Wiring Diagram | all you wiring want
Toyota Tacoma Turn Signal Wiring Diagram | all you wiring want

[diagram] 2006 toyota tacoma fuse box diagram

Chambre peinture couleur beige creme fleurs: wiring diagram chevrolet2004 toyota tacoma wiring diagram 2004 toyota tacoma wiring diagram2004 toyota tacoma wiring diagram.

Toyota tacoma signal solved serpetine fixyaTacoma wiring electrical How to replace[diagram] toyota tacoma wiring diagram pdf files.

50 Inspirational toyota Tail Light Wiring Diagram
50 Inspirational toyota Tail Light Wiring Diagram

Vw light wiring tail diagram bus bay thesamba window size

2004 toyota tacoma wiring diagram .

.

How to Replace | Install | Change Toyota Tacoma Dome Lights | LED Bulb
How to Replace | Install | Change Toyota Tacoma Dome Lights | LED Bulb
2004 Toyota Tacoma Pickup Wiring Diagram Manual Original
2004 Toyota Tacoma Pickup Wiring Diagram Manual Original
2008 Tacoma Wiring Diagram
2008 Tacoma Wiring Diagram
TheSamba.com :: Bay Window Bus - View topic - Tail Light Wiring Diagram
TheSamba.com :: Bay Window Bus - View topic - Tail Light Wiring Diagram
[DIAGRAM] 2012 Tacoma Dome Light Diagram - MYDIAGRAM.ONLINE
[DIAGRAM] 2012 Tacoma Dome Light Diagram - MYDIAGRAM.ONLINE
Toyota Tacoma Brake Light Wiring Diagram - 4K Wallpapers Review
Toyota Tacoma Brake Light Wiring Diagram - 4K Wallpapers Review
Toyota Tacoma Brake Light Wiring Diagram - Wiring Diagram and Schematic
Toyota Tacoma Brake Light Wiring Diagram - Wiring Diagram and Schematic
[DIAGRAM] 2006 Toyota Tacoma Fuse Box Diagram - MYDIAGRAM.ONLINE
[DIAGRAM] 2006 Toyota Tacoma Fuse Box Diagram - MYDIAGRAM.ONLINE

More Posts

2004 Toyota Solara 3.3l Engine Mount Diagram Engine Solara V

solara v6 sle dohc liter gtcarlot solara steering pump hoses 3l camry solara dipstick solara v6 dohc liter gtcarlot v6 solara jdm camry 3mz 0l vvti 1mz toyota solara plug manuals junction v6

2004 toyota solara 3.3l engine mount diagram Engine solara v6 liter dohc

2005 Gmc Yukon Xl Parts Diagram Gmc Yukon 2007-2012 Parts Ma

Axle differential exploded differentials wiper washer hose yukon windshield liftgate blower motor rear not yukon gmc working suburban 2003 xl chevy hvac 2004 2005 1500 actuators power connection pane

2005 gmc yukon xl parts diagram Gmc yukon 2007-2012 parts manual

2005 Chrysler 300 Limited Fuse Box Diagram Fuse Chrysler Img

Chrysler fuse magnum chrysler 300 2005 burn taillights lights when 2009 wont why other ask question own fuse box chrysler 300 2005 diagram chrysler fuse 300 2006 diagram box 300c 2005 2008 let

2005 chrysler 300 limited fuse box diagram Fuse chrysler imgvehicle ports

2005 Ford Taurus 3.0 Vin 2 Spark Plug Wire Diagram 2003 Ford

ford taurus order spark plug wire 0l 2001 misfire random 2005 ask question own justanswer firing taurus wiring spark spark plug diagram ford taurus wiring v6 ctfordtech vin 0l dohc 1998 spark plug

2005 ford taurus 3.0 vin 2 spark plug wire diagram 2003 ford taurus spark plug wiring diagram pics

2005 Honda Accord 2.4 Timing Chain Replacement Cost Honda Ac

accord timing amazon color 4l chain honda 2004 tensioner timing kit accord timing accord chain honda dohc cr 4cyl kit tsx acura element components

2005 honda accord 2.4 timing chain replacement cost Honda accord timing chain replacement in 6-quick steps (honda accord

2005 Ford Ranger Tail Light Wiring Diagram Rear Tail Light W

Ranger tail justanswer wiper 2007 2003 webgif diagramme 1990 ranger diagram stereo wiring signals f250 diagrams wiring explorer f350 electrique fuse xlt coler f150 diagrama firin

2005 ford ranger tail light wiring diagram Rear tail light wiring diagrams

2005 Ford Mustang Fuel Pump Wiring Diagram Need Wiring Diagr

wiring pump mustang fuel 2005 ford 1235 start wiring diagram replaced rem wrecked inputs module sure going into good make wiring mustang fuel pump diagram ford 2000 1995 fuel mustang diagram

2005 ford mustang fuel pump wiring diagram Need wiring diagram from fuel pump to fuel pump module.. 1999 ford

2005 Cadillac Escalade Headlight Wiring Diagram [diagram] 20

escalade deville ext harness schematic justanswer circuit duramax lb7 diagram engine wiring plug glow harness relay cadillac lly lbz list chevy gmc escalade fuel esv diesel front escalade cadill

2005 cadillac escalade headlight wiring diagram [diagram] 2007 escalade hid headlight wiring diagram

2005 Ford Expedition Ignition Coil Diagram 2000 Ford Expedit

expedition 2005 ford component locations ignition diagram v8 gas engine ignition denso coil expedition coils carid expedition coil ignition ford sale ignition joshua ford 2003 exp

2005 ford expedition ignition coil diagram 2000 ford expedition ignition wiring diagram